passend zu Super 4,5, R55,R57,R88Förderpumpe ist mit 2 Schrauben auf der Einspritzpumpe montiert, Antrieb über StößelNachbauteil als Ersatz zu Bosch Lavelette Pumpe; inkl. Papierdichtung
Universale Kraftstoff-Förderpumpe für DieselkraftstoffFördermenge: 128L/H, Druck: Max. 0,48 bar, Ansaughöhe 0,3 m selbstansaugend, Lochabstand: 64 mm, Bohrung: 7 mm, mit 2 Anschlussnippeln Ø 6,5 mm
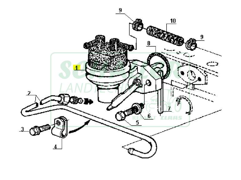
passend für MWM D226, 227, 325, 327 Motoren bis ca. 65 PS für Kraftstofffiltergehäuse mit eingebauter HandpumpeEs werden 2 Rückschlagventile benötigt, einen unter der Handpumpe und ein weitererhinter der Ausgangsverschraubung. Wenn die Ventile defekt sind kann Luft in das Kraftstoffsystemkommen und der Motor läuft unruhig.
18,56 €*
Diese Website verwendet Cookies, um eine bestmögliche Erfahrung bieten zu können. Mehr Informationen ...